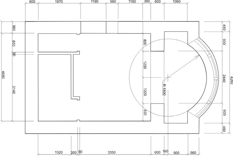
Моделирование стен сплайном с применением модификатора
Основу стен помещения можно создать с помощью сплайна. У нас имеется чертеж, сделанный в одном из редакторов векторной графики и экспортированный в формат JPEG (рис. 2.41). Теперь если в 3ds Max сделать плоскость по размеру будущего помещения, а затем наложить на нее в качестве карты диффузного рассеивания имеющийся чертеж, то, используя форму типа Line (Линия), можно обрисовать контур будущего помещения. После этого, согласно чертежу в нужных местах необходимо добавить контуры перегородок и проемов. Далее соединяем все части контура в один замкнутый сплайн и применяем модификатор Extrude (Выдавливание), чем придаем модели помещения объем.

Рис. 2.41. Чертеж будущего помещения
1. Откройте программу 3ds Max 2009, загрузите файл Index.max. Сразу пересохраните файл как Walls_project1.max в папку Models каталога Ar-deco_apartment_project. Перейдите в видовое окно Top (Вид сверху). Щелкните правой кнопкой мыши на названии окна и из контекстного меню выберите тип отображения объектов Smooth + Highlights (Сглаживание + Световые блики). На командной панели Create (Создать) нажмите кнопку Geometry (Геометрия), выберите из списка Standard Primitives (Стандартные примитивы), в свитке Object Type (Тип объекта) нажмите кнопку Plane (Плоскость). В окне вида Top (Сверху) путем нажатия левой кнопки мыши и растягивания создайте плоскость по размеру будущего помещения Length (Длина) – 520 см, Width (Ширина) – 808 см. Перейдите в панель модификации и установите для плоскости один сегмент по длине и ширине (рис. 2.42), а также отредактируйте размеры до нужных. Расположите объект в точке с координатами (0, 0, 0).

Рис. 2.42. Параметры плоскости-основы для чертежа
2. Теперь необходимо наложить на плоскость имеющийся чертеж. Для этого откройте редактор материалов (рис. 2.43), нажав кнопку M на клавиатуре или выбрав пункт Material Editor (Редактор материалов) в меню Rendering (Визуализация). Так как по умолчанию активным визуализатором установлен Mental Ray, работать можно с его материалом Arch&Design (mi) либо заменить его материалом типа Standard (Стандартный), нажав на кнопку с названием типа в редакторе материалов. В редакторе выберите любой материал, наведя на него курсор мыши и щелкнув левой кнопкой. Откройте раскрывающийся список Maps (Карты) (в случае работы с материалом Arch&Design (mi) список будет называться General Maps (Основные карты)) и нажмите на кнопку с надписью None (Пусто) слева от надписи Diffuse Color (Диффузный цвет) (рис. 2.43). В открывшемся окне Material/Map Browser (Просмотр материалов и карт) выберите карту Bitmap (Изображение) и нажмите кнопку OK (см. рис. 2.43). С помощью открывшегося диалогового окна выберите в папке Collateral_mat каталога с проектом файл Plan.jpg. Теперь файл с изображением нужно назначить на сделанную ранее плоскость. Для этого выделите в видовом окне нужный объект (плоскость) и на панели инструментов редактора материалов нажмите кнопку Assign Material to Selection (Назначить материал выделенному) (рис. 2.44). Кроме того, для отображения материала на объекте в видовом окне необходимо там же, на панели инструментов редактора материалов нажать кнопку Show Map in Viewport (Показать карту в видовом окне).
Более 800 000 книг и аудиокниг! 📚
Получи 2 месяца Литрес Подписки в подарок и наслаждайся неограниченным чтением
ПОЛУЧИТЬ ПОДАРОКДанный текст является ознакомительным фрагментом.